Stainless Steel Socket Welding Flange (SW)
Material : Stainless Steel 304 or 316L
Size : DN15 -DN600
Connection : Weld
100% tested and inspected
The Stainless Steel Socket Welding Flange (SW) is designed for small-diameter, high-pressure piping systems.
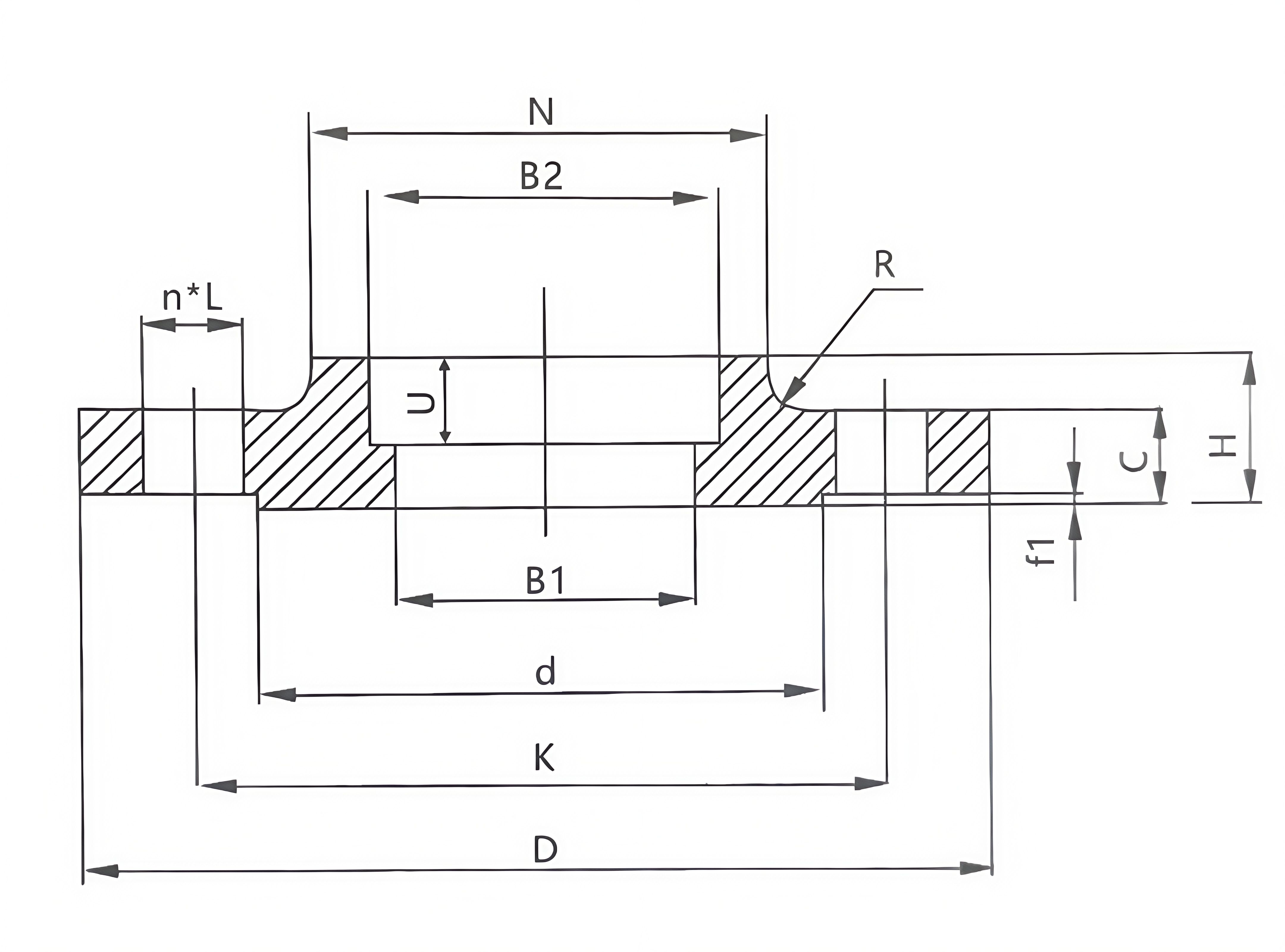
The pipe is inserted into the flange socket and then fillet welded around the hub, creating a strong and reliable connection.smooth surface finishing, and strict quality inspection to ensure reliable performance and long service life.
Working Principle of Socket Welding Flange
The flange is then bolted to another flange with bolts, nuts, and a gasket to create a secure and leak-proof piping connection.
| Name |
Stainless Steel Socket Welding Flange (SW) |
|
Material |
SS304/S316L or Customized to your needs |
|
Size |
DN15 -DN600 |
|
Surface |
Machined by CNC |
|
Sealing Type |
RF,MFM,TG |
|
Pressure Class(Mpa) |
RF:1.0-10.0 , MFM:1.0-10.0 , TG:0.6-0.4 |
|
Way of Connection |
Welded |
|
Package |
Foam bag/shrink bag-carton box-ply woodencase |

1.What is a socket welding flange used for?
A socket welding flange is mainly used in small diameter high-pressure piping systems.
2.What is the difference between socket weld and slip-on flanges?
Socket weld flanges insert the pipe into a socket before welding, while slip-on flanges slide over the pipe and are welded on both sides.
3.What materials are available for socket weld flanges?
Common materials include stainless steel 304, 304L, 316, and 316L.
4.What industries use socket weld flanges?
They are widely used in oil & gas, chemical processing, power plants, and industrial piping systems.
Keywords: stainless steel flange manufacturer, pipe flange supplier, welding neck flange, slip on flange, socket weld flange, blind flange